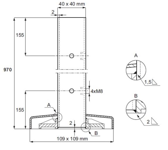
SQ 90DG Baluster SS316 Brush,40x40x2x970mm,4 Holes 2 Sides

Varenummer 22.10.445-9