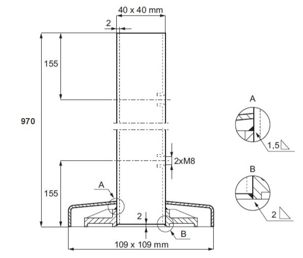
SQ End Baluster SS316 Brush,40x40x2x970mm,2 Holes One Side

Varenummer 22.10.441-9