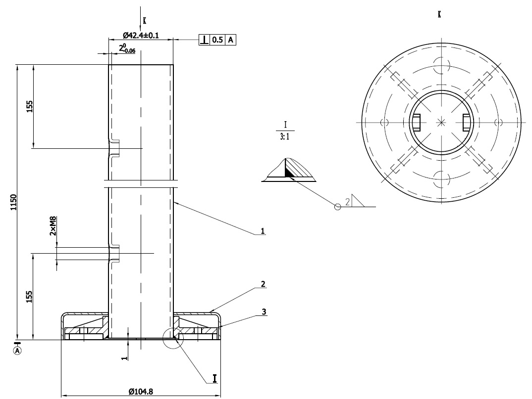
End Baluster SS316 Brushed,ø42,4x2x1150mm, 2 Holes One Side

Varenummer 22.10.411-0