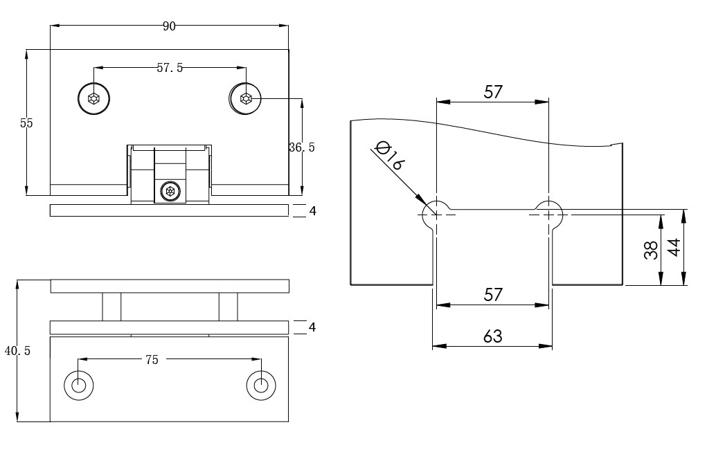
Shower Hinge "CPH III", 90DG, CPL, Glass/Glass, 6-10mm. Glass Thickness, W/15DG Angle Adjustment Function & 25DG Return Function, Brass Material, Chamfered Edges

Varenummer 15.24.060-0