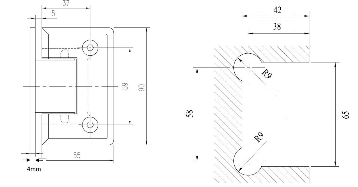
# Shower Hinge "Dus" Wall/Glass, CPL, No Adjustment, Centre Back Plate, 6-10mm Glass Thickness

Varenummer 15.23.870-0