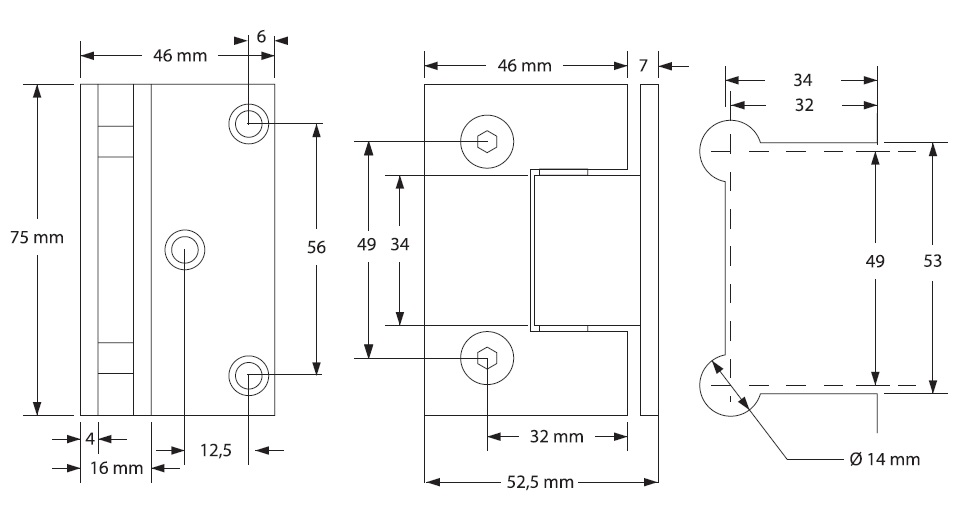
Shower Hinge "Jun" Wall/Glass, CPL, Offset Back Plate, 6-8mm Glass Thickness, No Angle Adjustment Function But 25 DG Return Function, Brass Material, Straight Edges

Varenummer 15.24.205-0