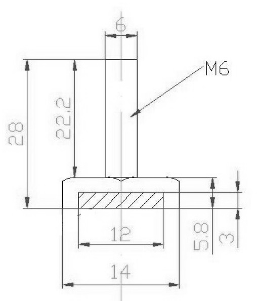
Magnet Screw F/Sauna, M6x28mm, W/14mm Hex Head, NPL

Varenummer 15.25.010-1