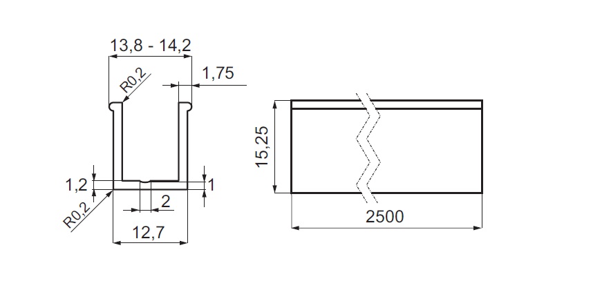
Cover Insert Profile F/"Sputnik" Shower System, 2,5 Mtr, Pol Alu

Varenummer 28.25.316-0