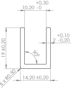
Alu. U-Channel, F/10mm Glass,Black Anod., 3,0 Mtr, 2,05x19x 14,3mm(T/H/W)

Varenummer 15.23.513-4