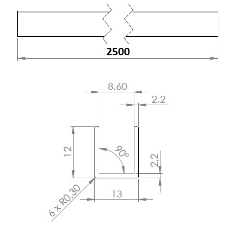
Alu. U-Channel, F/8mm Glass, Pol. Alu, 2,5 Mtr, 2,2x12x13mm (T/H/W)

Varenummer 15.22.507-1