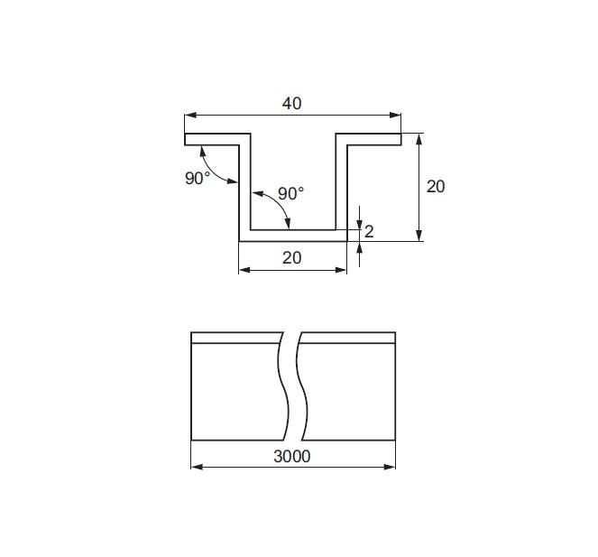
Alu Bottom Profile 3000mm, Brushed Alu F/Glass Folding Door

Varenummer 28.25.221-2