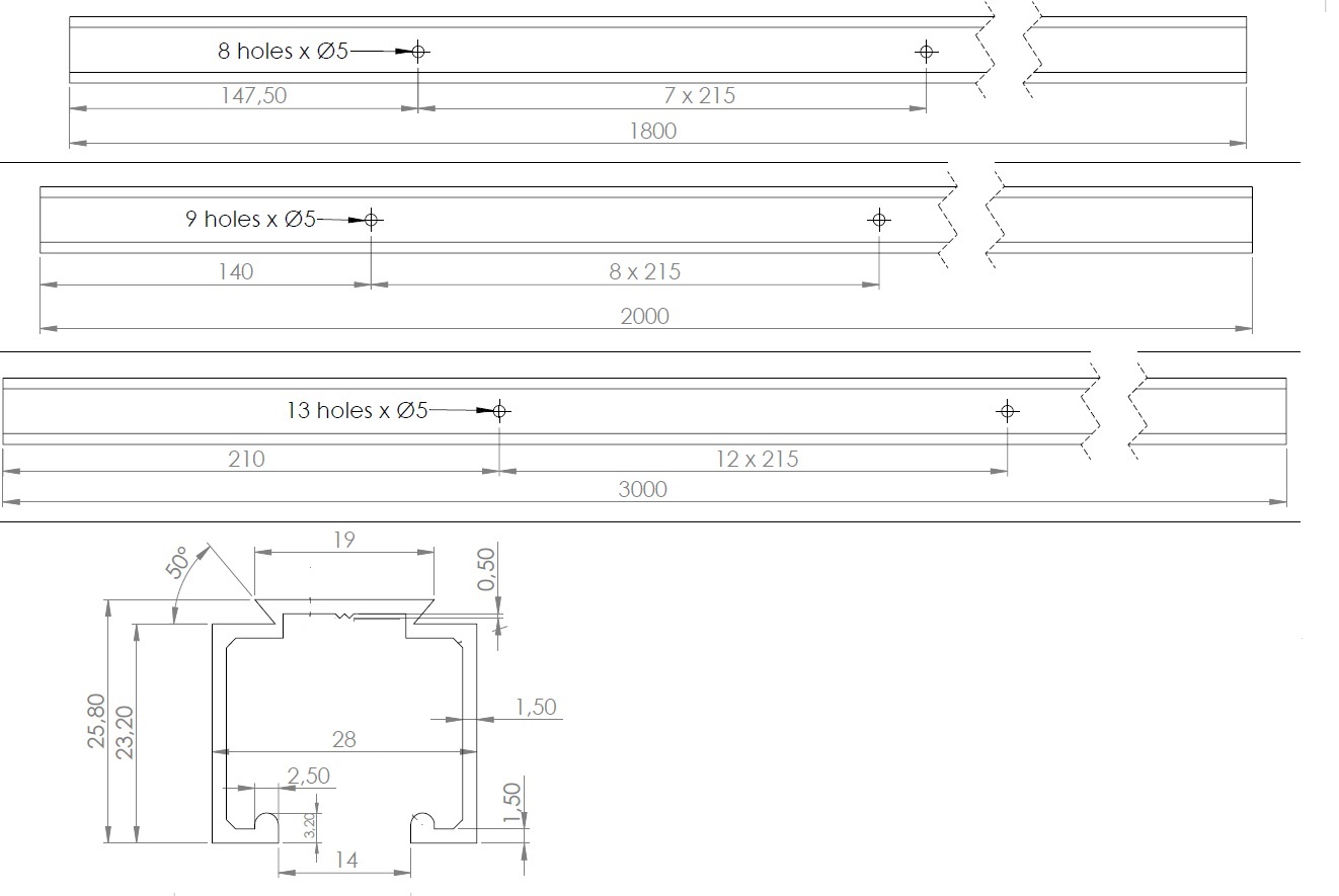
Alu Profile-Milled,28x25,8x2000mm, F/Sliding System K1002, W/9 Screw Holes ø5mm

Varenummer 28.25.211-1