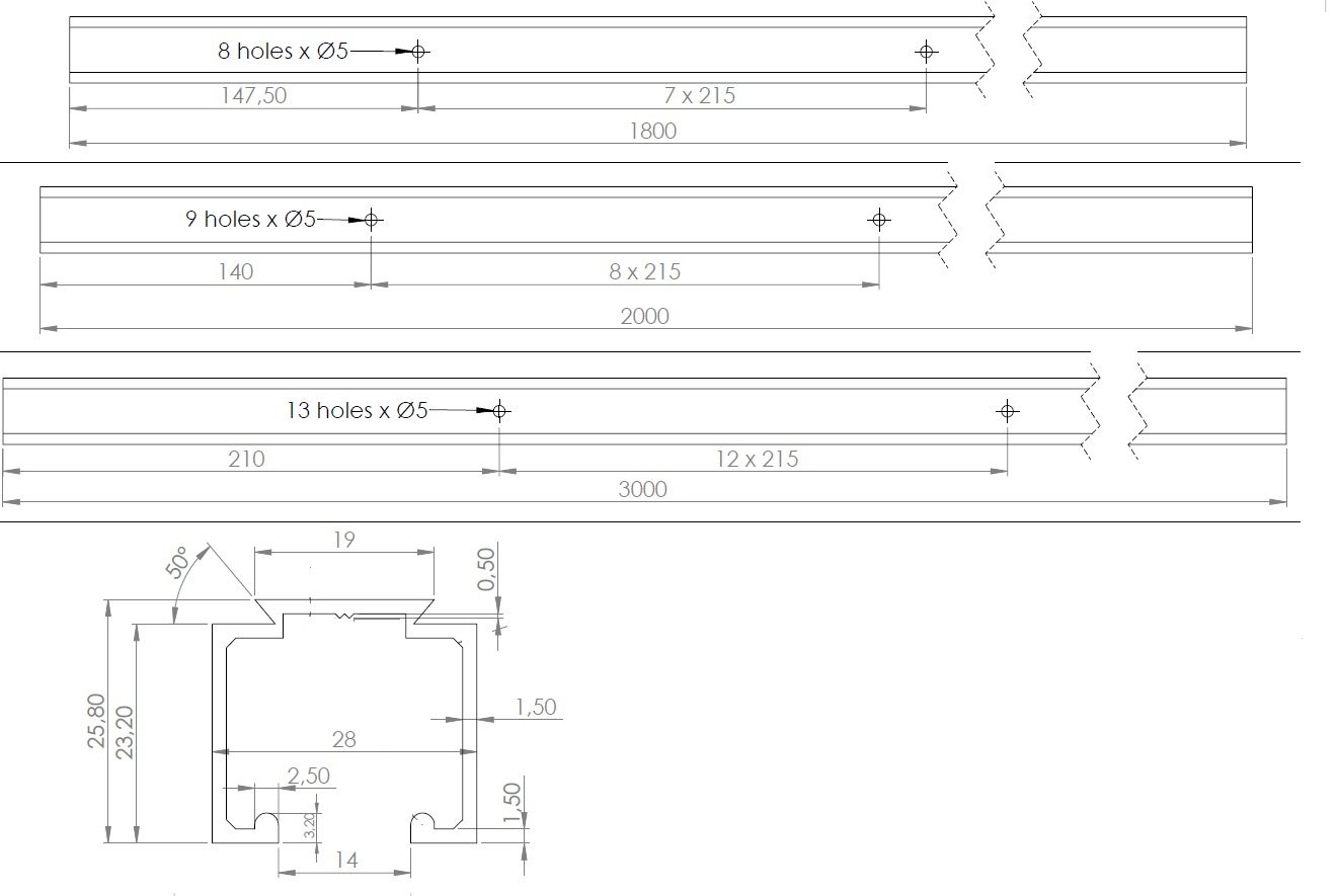
Alu Profile-Milled,28x25,8x3000mm, F/Sliding System K1002, W/13 Screw Holes ø5mm

Varenummer 28.25.212-1