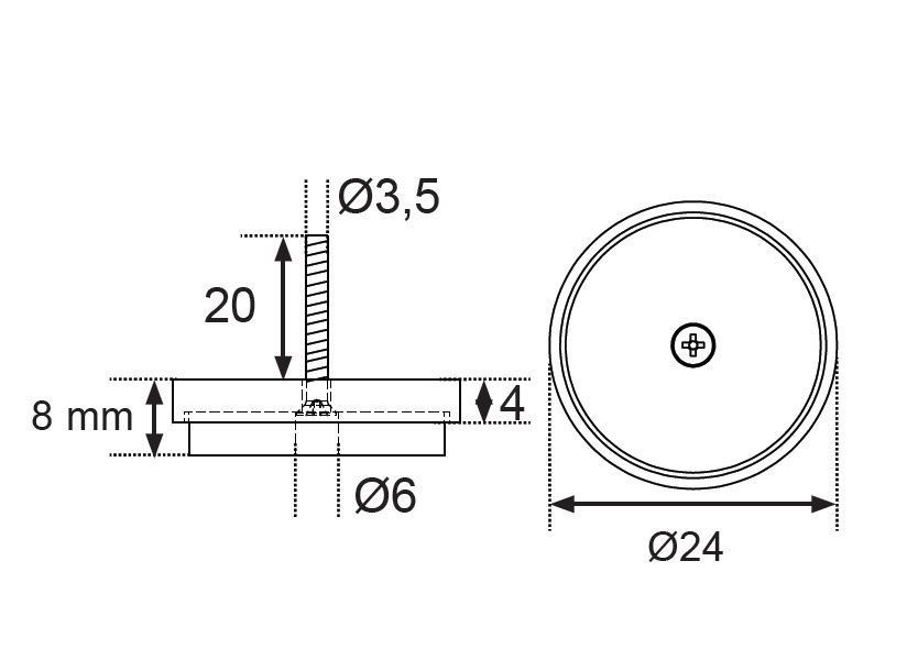
Plastic Tack W/Felt, Screw-On Glide, ø 24x8mm, White, Screw ø3,5 x 20mm

Varenummer 10.25.105-0