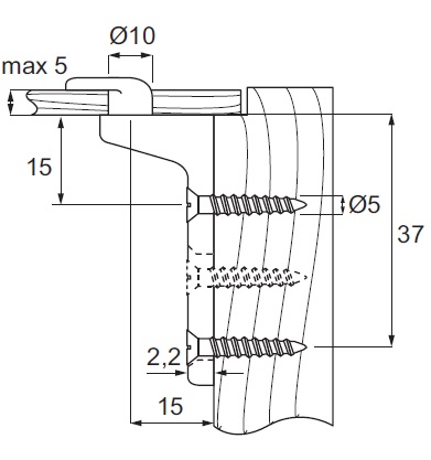
Rear Panel Connector VB-500, Long Arm, Zamak Nickel Plated

Varenummer 11.05.520-0