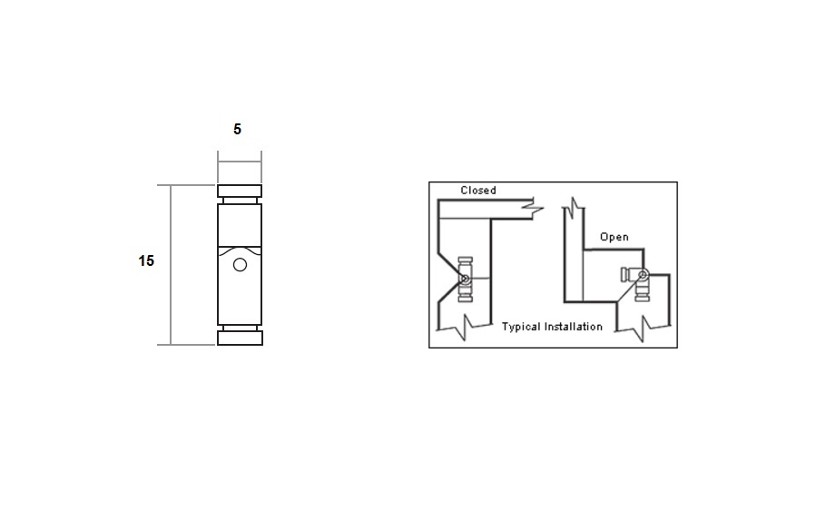
Mini Brass Cylinder Hinge, Nickel Plated, ø 5 x 15mm

Varenummer 30.00.030-0