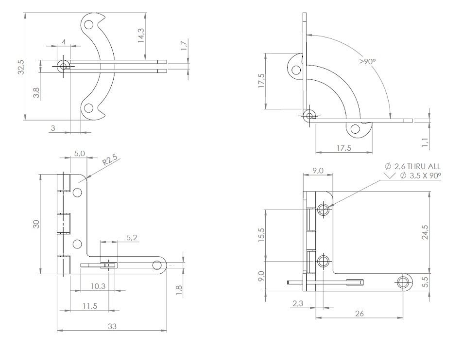
Quadrant Hinge, Steel-BPL, 30 x 33mm, Incl. ø2x8mm Screws

Varenummer 30.00.001-0