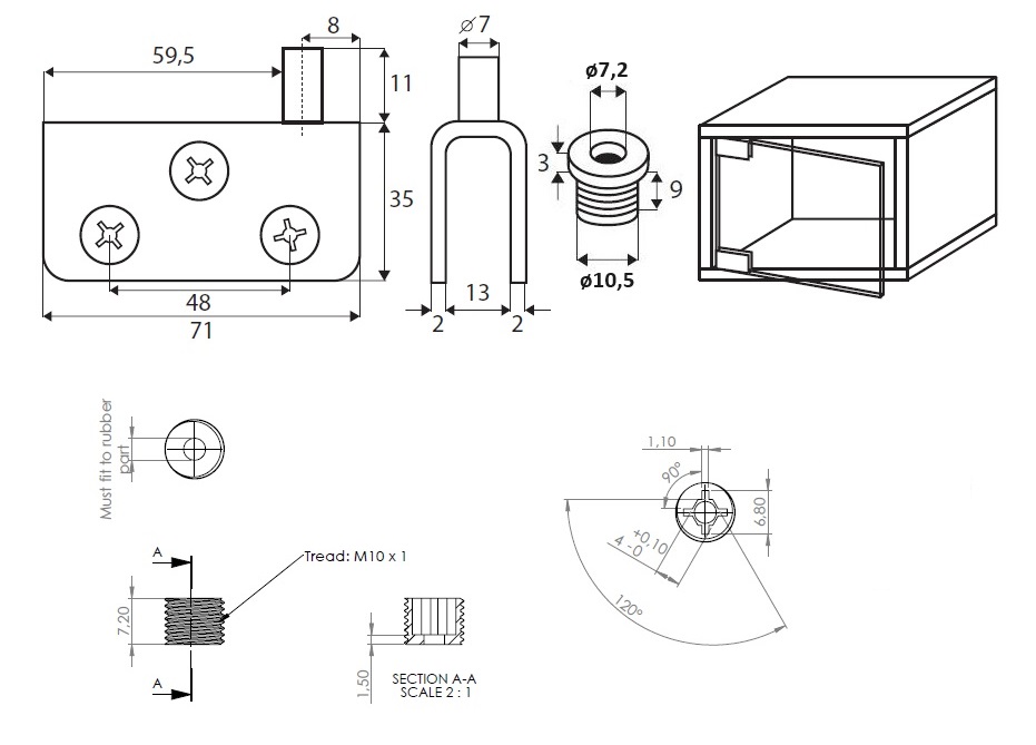
Glass Pivot Hinge "L", 71x35x2mm,10mm Glass,SS-304 Polished, W/ø10x9mm Brass Bushing & Screws W/Soft Tip, All SS-look

Varenummer 15.06.064-0