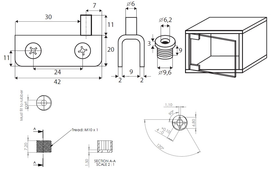
Glass Pivot Hinge "S", 42x20x2mm, 6mm Glass,SS-304 Polished, W/ø9x8mm Brass Bushing & Screws W/Soft Tip, All SS-look

Varenummer 15.06.060-0