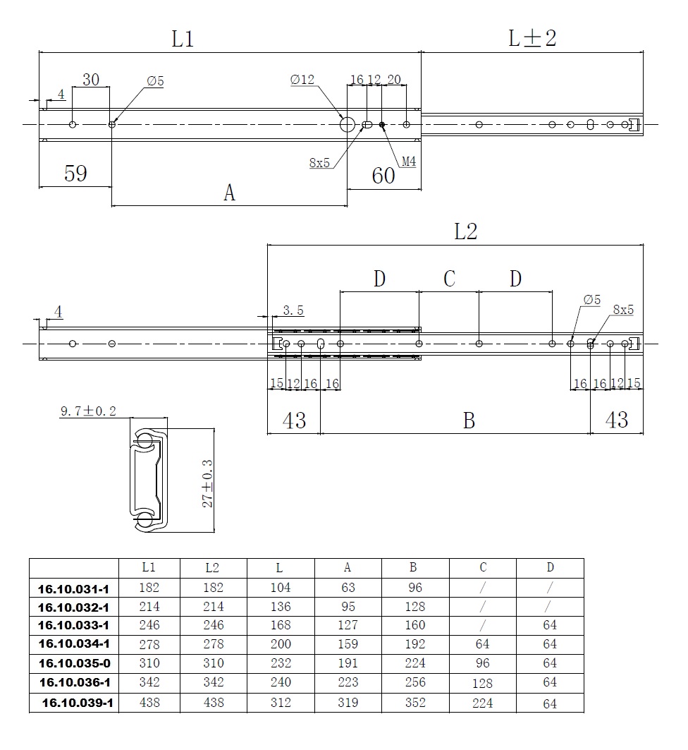
Drawer Slide 8827, 548mm Drawer, 1,0mm (310/310), ZP

Varenummer 16.10.035-0