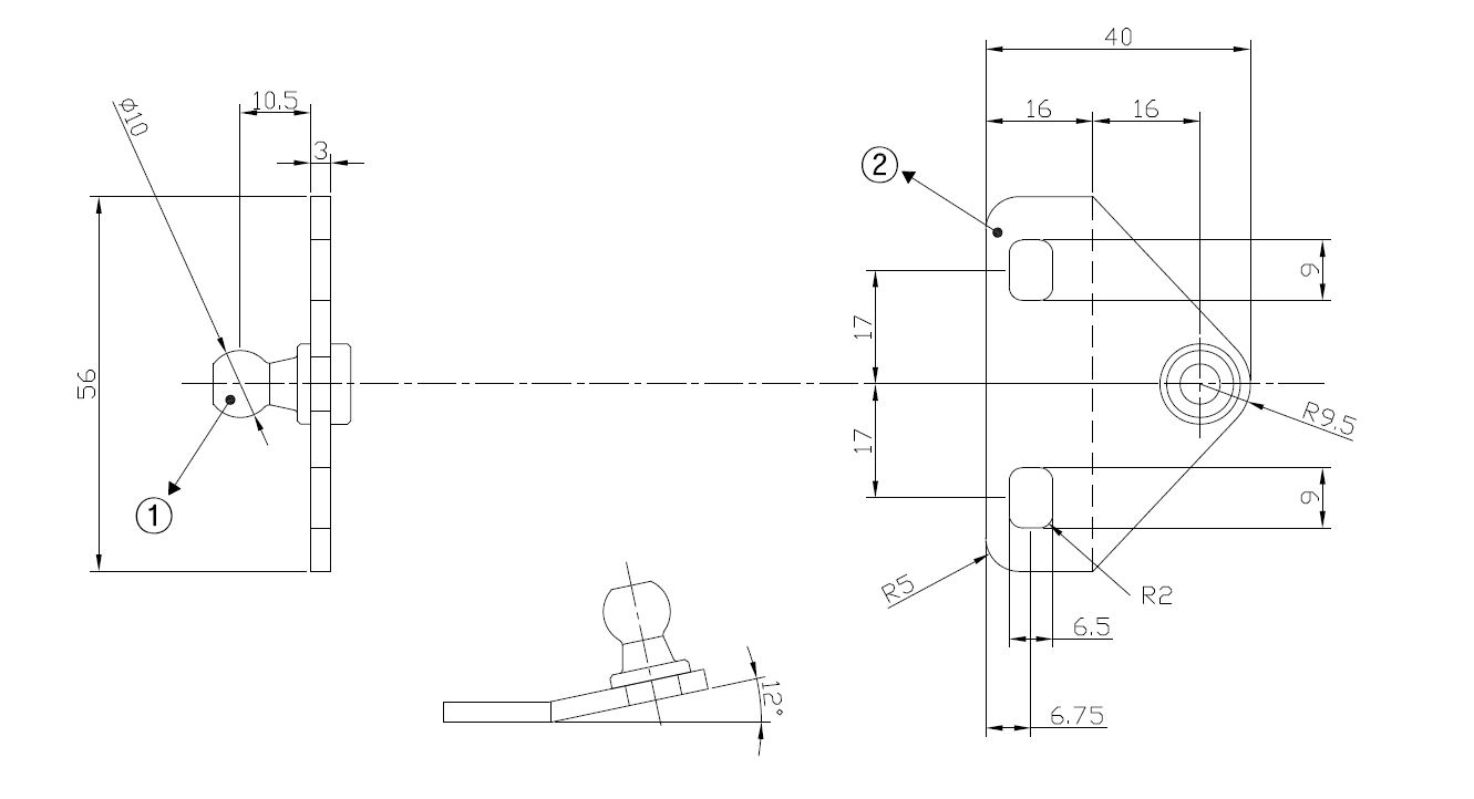
Flat Mounting Bracket For Expansion Spring, SS-304

Varenummer 15.11.461-1