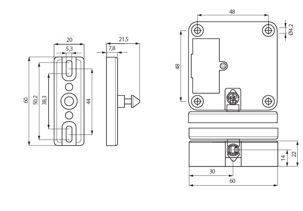
Flat Striker, F/Sliding Doors, Plastic Body

Varenummer 14.60.309-5