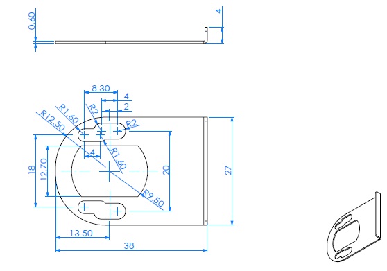
Anti-Rotating Metal Plate F/Lock X-689, Alu Finish

Varenummer 14.09.156-9