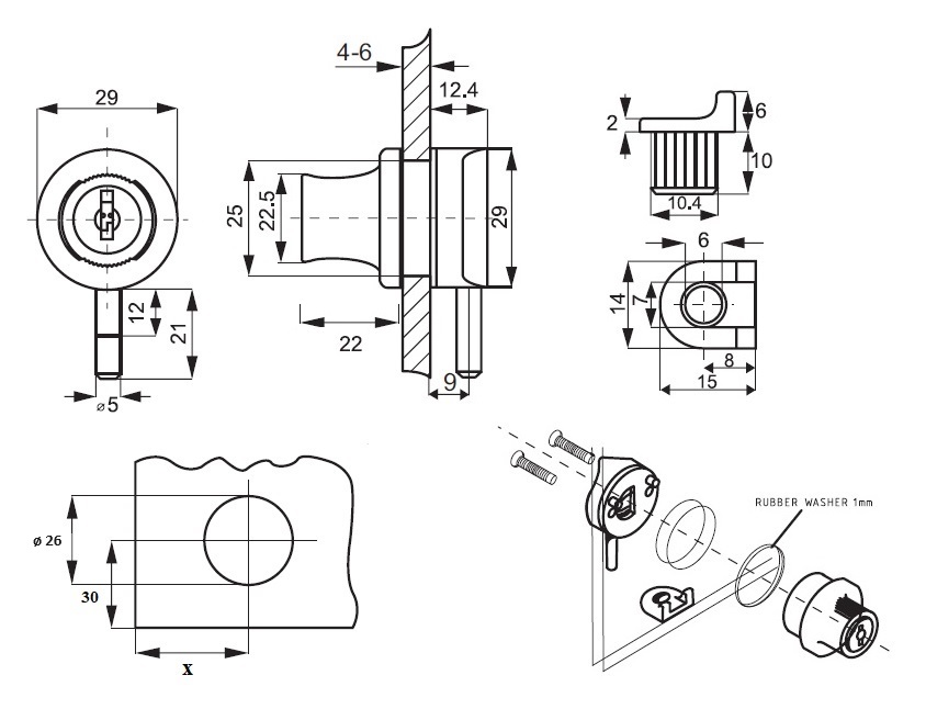
Glass Door Lock X-689, CK SISO, Matt NPL, KA D20,4-6mm Glass

Varenummer 14.09.126-5