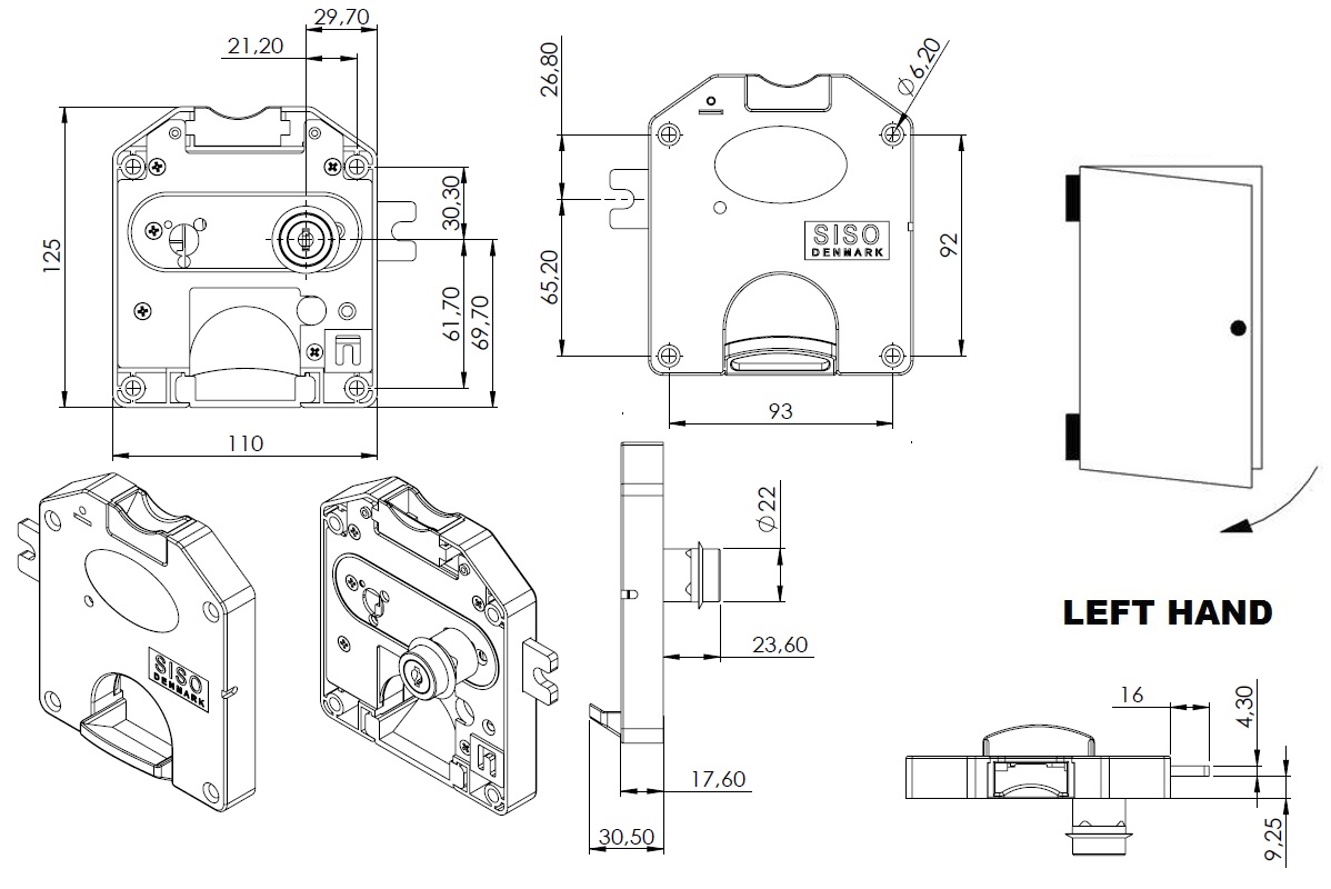
Coin Lock F/10 DKK,W/MIC System #01,CPL,LH, Snake SISO Metal Keys, Black Plastic Body, Coin Entrance & Exit All Blue Plastic, W/SISO Logo on Lock Body, w/Chrome Plated Rosette

Varenummer 14.60.271-1