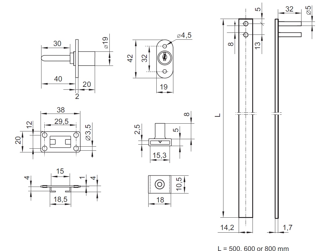
# Cent. Lock 1018/600mm, ø19x20mm, 40mm Tail, CPL, HCK CPH, Pegs, Complete W/1x600mm Locking Bar, 2 x Metal Bar Guides & 3x8mm Adjustable Pegs, 80 Key Combinations

Varenummer 14.03.165-0