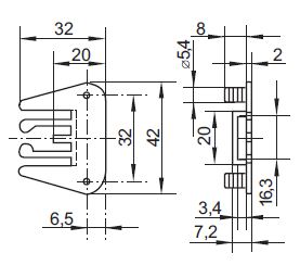
Lyre-Shaped Plastic Catch Guide F/Lay On Bars, Grey

Varenummer 14.03.281-0