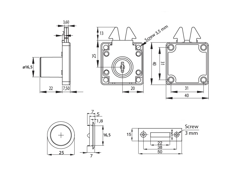
Roll Blind Lock 855, ø16,5x22mm, Black Anodized, CK SISO, W/ Flat Striking Plate

Varenummer 14.01.410-0