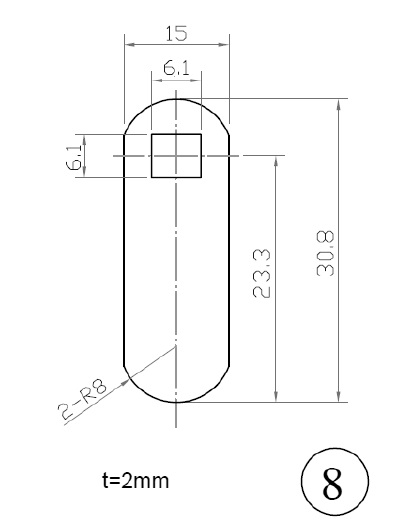
Cam No. 8 F/Combi Locks, Straight 23,3mm C/E. Hole: 6 x 6mm, Fits for Locks M237/238/266/268/300/316/3001 & 3002

Varenummer 14.04.248-5