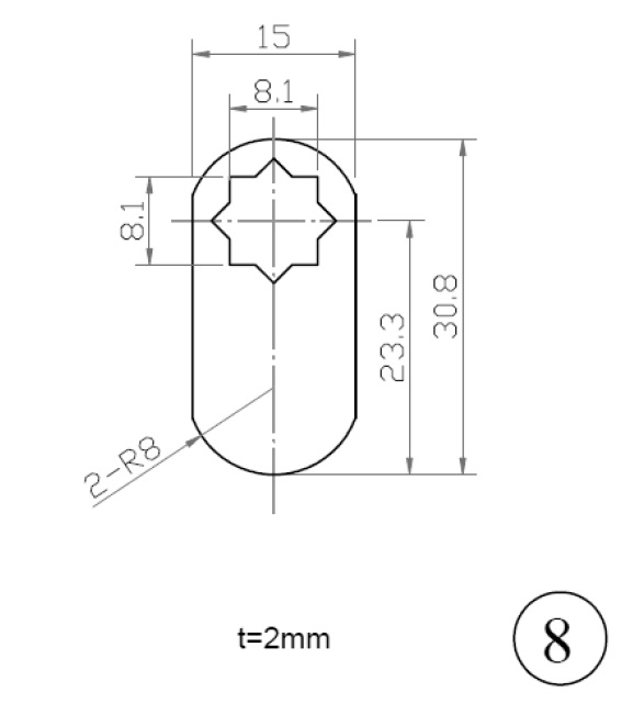
Cam No. 8 For 1900 Series, Straight 23,3mm C/E

Varenummer 14.04.248-0