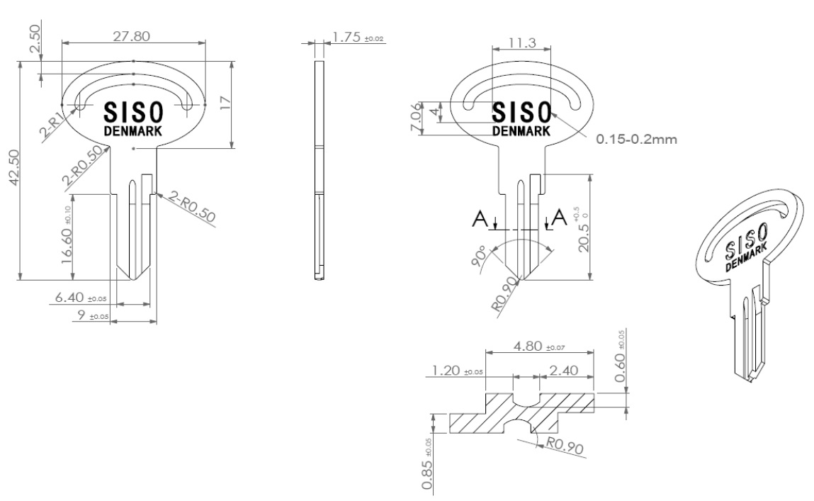
Passion Metal Key, FN2 Key Way, Blank, SISO Logo

Varenummer 14.04.108-9