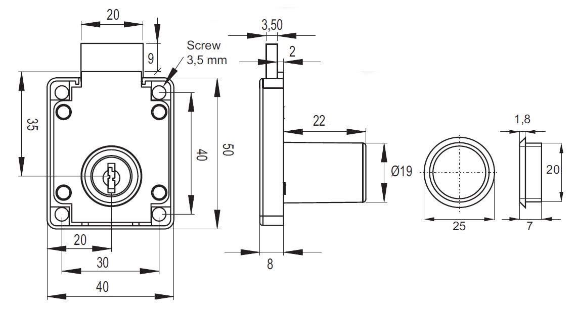
Rim Lock MIC950 Backset 35mm, ø19x22mm, HCK SISO, LH, #J12 Nickel Plated

Varenummer 14.01.095-5