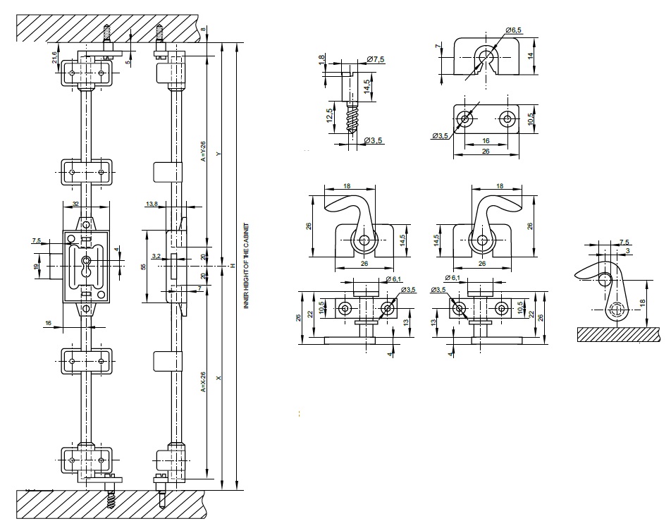
Rotary Bar Lock 155M, Screw-On, 3-Way, R+L, BRZ, No Bar or Key but All Other Accessories, Universal Right +Left Application, Simple Key Type Euro Bit

Varenummer 14.05.312-1