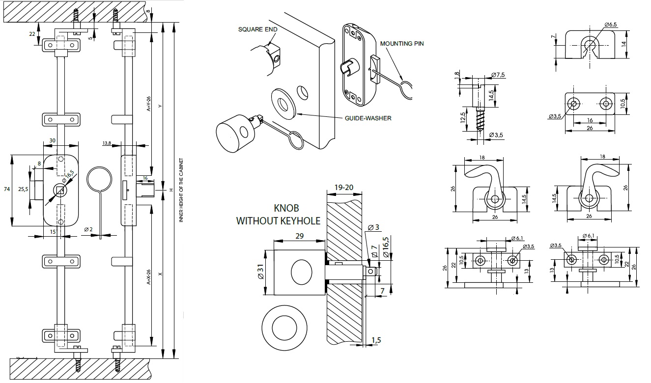
Rotary Bar Lock 925, W/Knob, No Key, NPL Zamak Back & Knob, NPL Zamak Accessories, No Bar

Varenummer 14.05.241-0