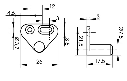
Triangular Locking Bolt, F/Espagnolette Locks, Nickel Plated

Varenummer 14.05.745-0