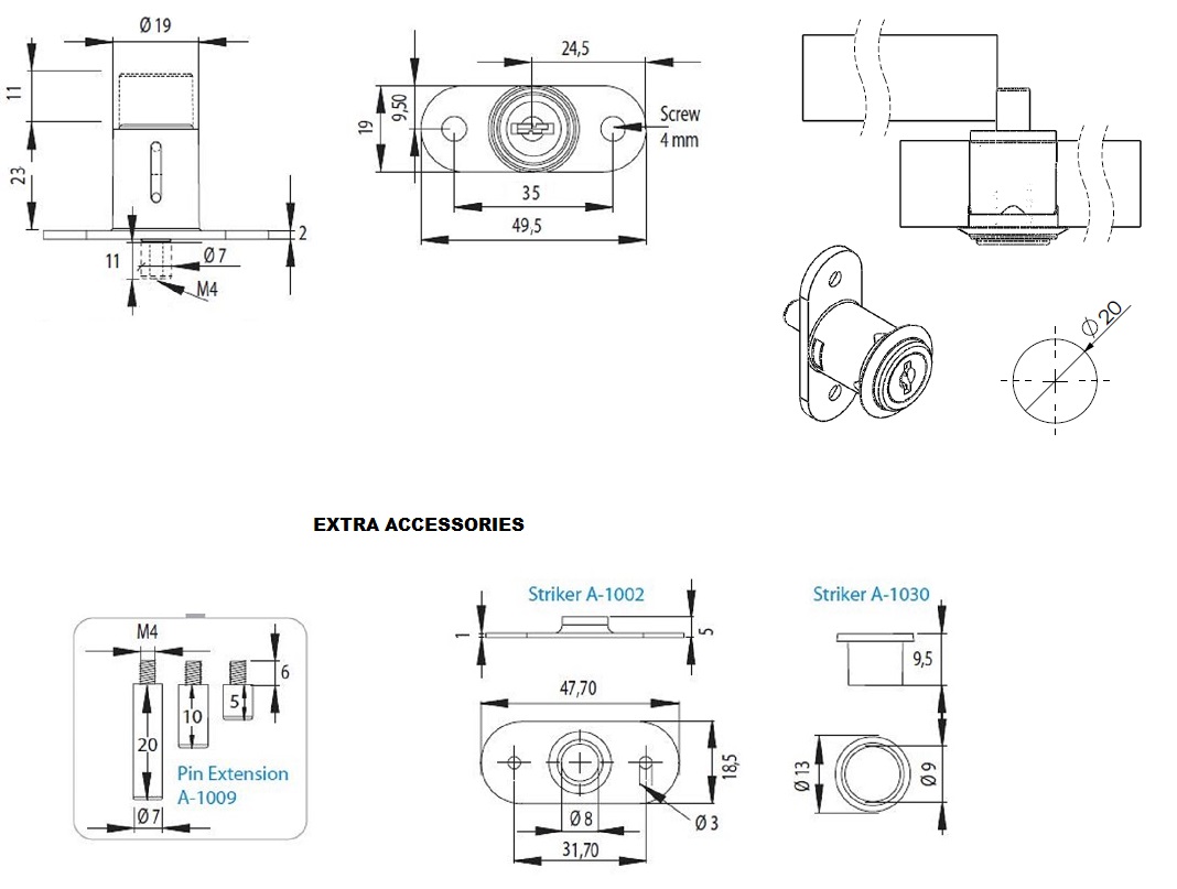
Push Button Lock 1003, ø19x23mm, NPL, HCK SISO

Varenummer 14.03.032-0